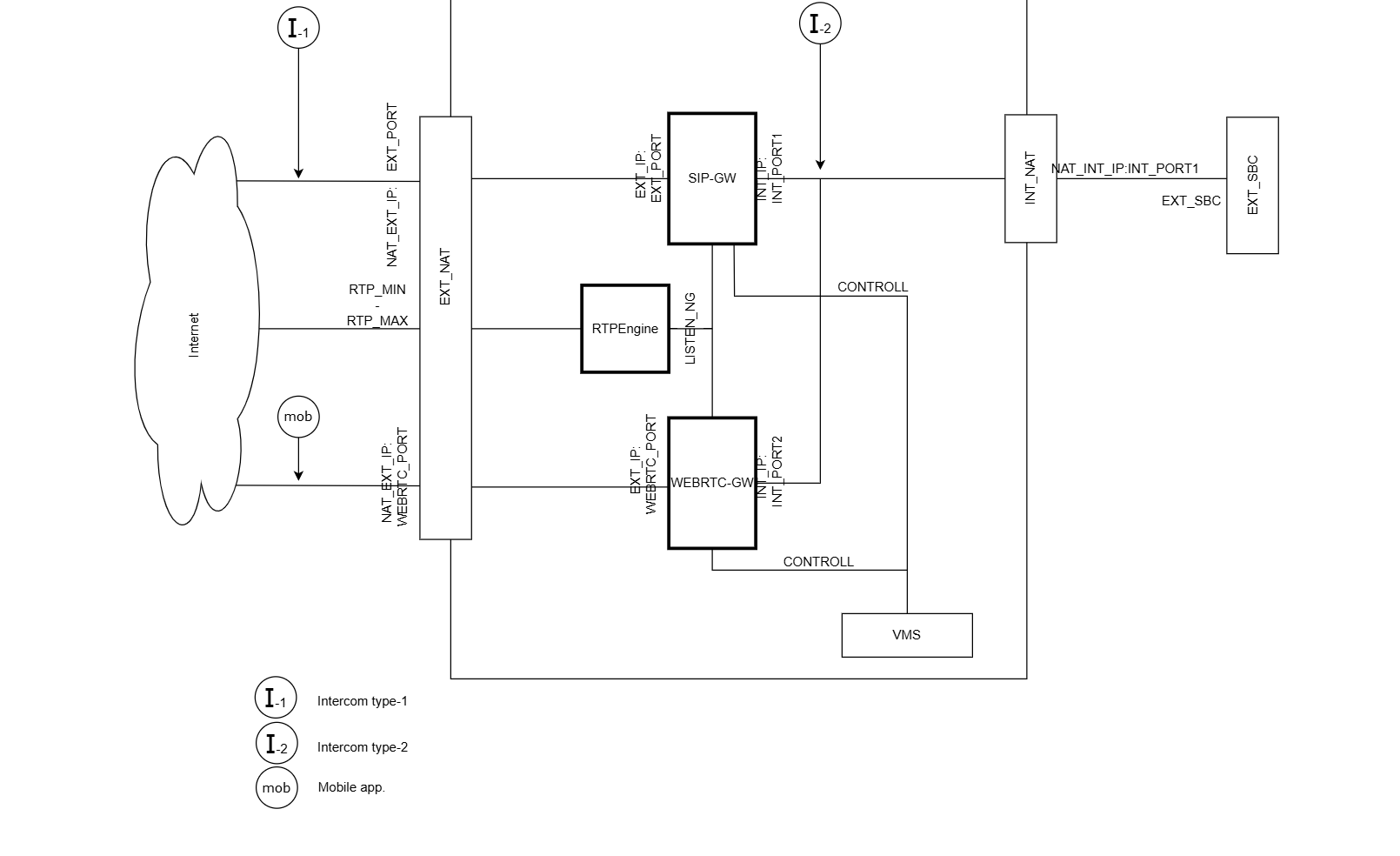
The Voice Gateway architectural diagram
The diagram shows the environment variables and parameters which are used in the Voice Gateway configuration.
.png?inst-v=c246fb15-1530-4ba8-b650-c220381b36ae)
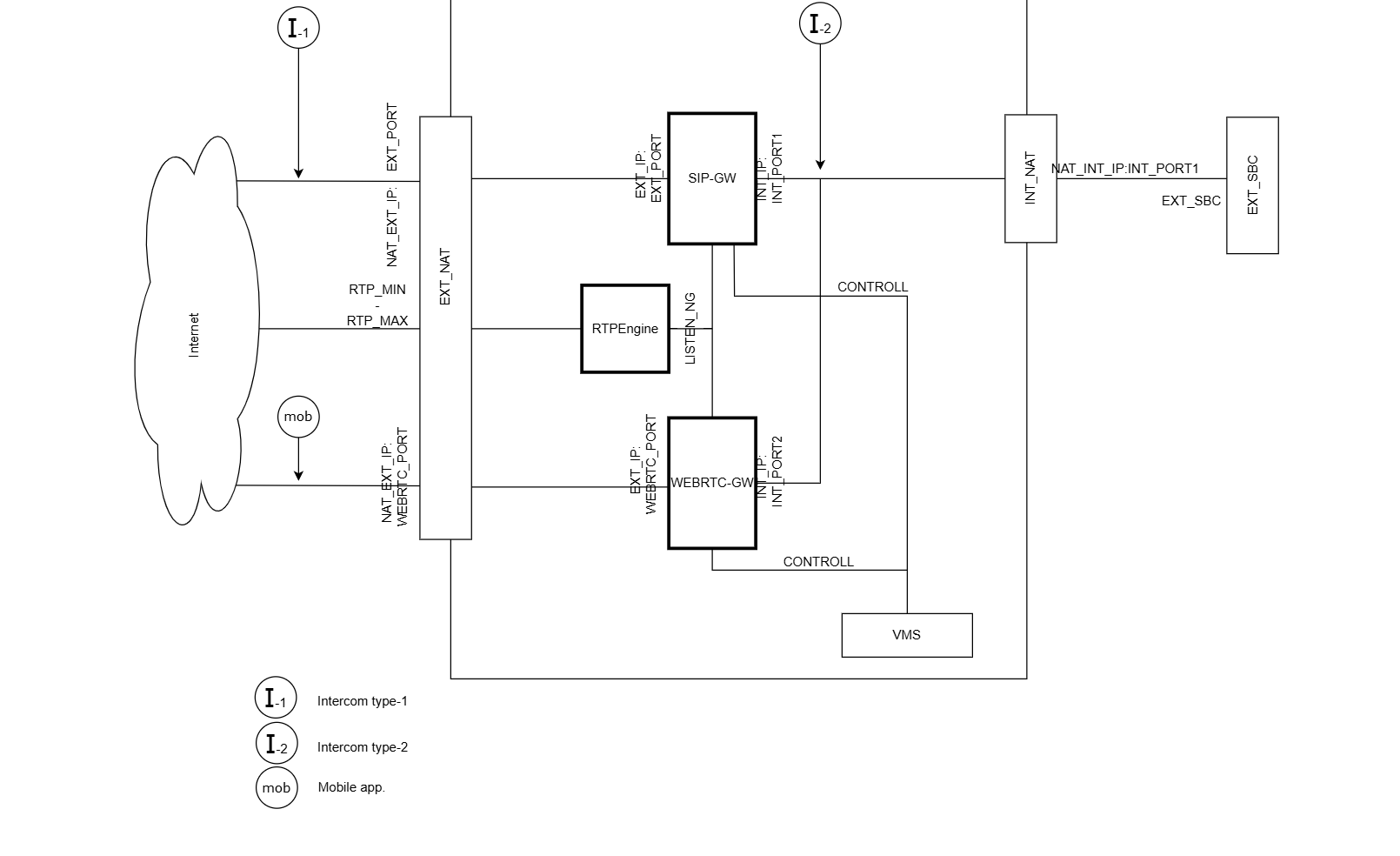
The Voice Gateway architectural diagram
ENV or PARAMS | Port | Direction | Note |
|---|---|---|---|
EXT_PORT | 5969 TCP/UDP | IN | The SIP service for cloud intercoms (Sputnik). |
INT_PORT1 | 5060 TCP/UDP | IN | The SIP service for standalone intercoms (Beward and Intersvyaz). |
WEBRTC_PORT | 7443 TCP | IN/OUT | WebRTC to handle connections from mobile applications |
RTP_PORT_MIN | 30000 - 40000 UDP | IN/OUT | RTP media. |